COMPANY HEADER
Request Information
  • Light Weight
  • Hermetically Sealed
  • High Temperature Operation (500ºf)
  • Ce Certified
Unit of Measure

Specifications

Brands

N/A Dytran

Frequency Response

N/A Up to 5000 HzUp to 10,000 Hz

Type

N/A Charge Mode

Number of Axis

N/A 3

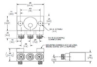
Diameter of Thru Hole Mounting Provision

N/A 0.150 in3.7 mm

Physical

Housing Material

N/A Titanium

Element Style Material

N/A Ceramic

Maximum Weight

N/A 0.35 oz10.0 g

Connector Type

N/A 3 x 10-32 Coaxial

Connector Material

N/A Titanium

Number of Thru Hole for Mounting Provision

N/A 2

Element Style Type

N/A Planar Shear

Environmental

Temperature Range

N/A -94 to+500 ºF-70 to+260 ºC

Maximum Peak Vibration (±)

N/A 3000 g29430 m/s²

Environmental Seal

N/A Hermetic

Maximum Peak Shock (±)

N/A 5,000 g49,050 m/s²

Performance

Sensitivity

N/A 2.7 pC/g0.28 pC/m/s²

Note for Sensitivity

N/A Measured at 100 Hz, 1 Grms per ISA RP 37.2.

Frequency Response Tolerance

N/A ±10 %±5 %

Resonant Frequency

N/A >25 kHz

Full Scale (F.S.) Linearity (±)

N/A 1 %

Note for Full Scale (F.S.) Linearity (±)

N/A Measured using zero-based straight line method, % of F.S. or any lesser range.

Maximum Transverse Sensitivity

N/A 6 %

Note for Measurement Range

N/A This parameter depends on the gain settings of the charge amplifier used.

Note for ±10 Percent (%) Frequency Response

N/A Low frequency response and phase response is function of the discharge time constant of the charge amplifier used. See graph below for example.

Insulation Resistance (Connector Pin to Case) at 70 and 21 Degree Fahrenheit Temperature

N/A >1012 O

Insulation Resistance (Connector Pin to Case) at 500 and 260 Degree Fahrenheit Temperature

N/A >108 O

Electrical

Nominal Capacitance

N/A 490 pF

Radiation Exposure Limit (Integrated Neutron Flux)

N/A 1.0E+10 N/cm²

Radiation Exposure Limit (Integrated Gamma Flux)

N/A 1.00E+08 rad

Supplied Accessories

Supplied Accessories

N/A
  1. Accredited calibration certificate (ISO 17025)
  2. Model 6247A2 mounting screw (6-32), qty 2

Note

Note

N/A In the interest of constant product improvement, we reserve the right to change specifications without notice.

Isolated mounting base, model 6771, available.

Units on the line drawing are in inches, units in brackets are in millimeters.