COMPANY HEADER
Request Information
  • Base Isolated
  • Hermetically Sealed
  • High Temperature Operation
  • Low Base Strain Sensitivity
Unit of Measure

Specifications

Brands

N/A Dytran

Frequency Response

N/A Up to 3000 HzUp to 5000 Hz

Type

N/A Differential Charge Mode

Number of Axis

N/A 1

Physical

Housing Material

N/A Alloy 600

Element Style Material

N/A Single Crystal

Maximum Weight

N/A 0.46 oz13 g

Connector Type

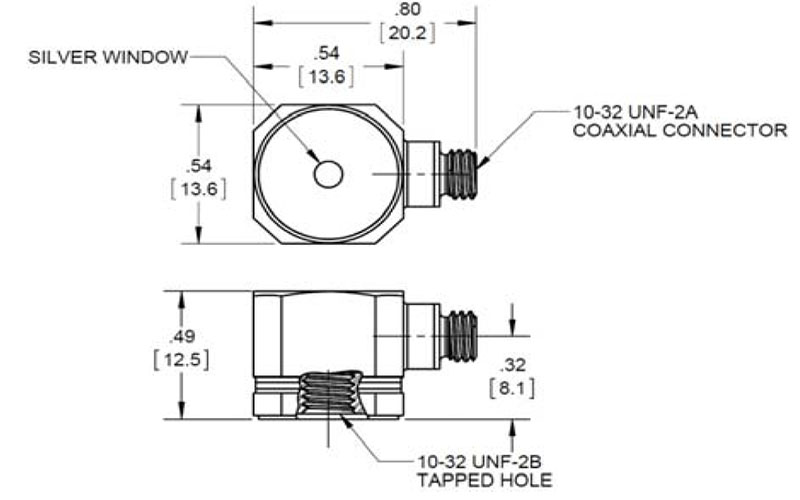
N/A 10-32 Coaxial

Note for Connector Type

N/A Mates with Dytran cable 6946AXX hardline cable and 6979AXX hardline insulated cable.

Connector Material

N/A Alloy X-750

Tapped Hole Mounting Provision

N/A 10-32 United Fine (UNF-2B)

Sensing Element Type

N/A Planar Shear

Note for Full Scale (F.S.) Range

N/A This parameter depends on the gain settings of charge amplifier used

Environmental

Temperature Range

N/A -60 to+1000 ºF-51 to+538 ºC

Maximum Peak Vibration (±)

N/A 6000 g58860 m/s²

Environmental Seal

N/A Hermetic

Maximum Peak Shock (±)

N/A 10000 g98100 m/s²

Performance

Sensitivity

N/A 1 to 2 pC/g0.1 to 0.2 pC/m/s²

Note for Sensitivity

N/A Measured at 100 Hz, 1 Grms per ISA RP 37.2.

Frequency Response Tolerance

N/A ±10 %±5 %

Resonant Frequency

N/A >17 kHz

Full Scale (F.S.) Linearity (±)

N/A 1 %

Note for Full Scale (F.S.) Linearity (±)

N/A Measure using zero-based straight line method, % of F.S. or any lesser range.

Maximum Transverse Sensitivity

N/A 5 %

Note for Frequency Range

N/A Low frequency response and phase response are a function of the discharge time constant of the charge amplifier used.

± 5 Degree (º) Phase Response

N/A Up to 3000 Hz

Maximum Base Strain Sensitivity

N/A 0.0005 g/µε0.005 m/s²/µε

Electrical

Output Signal Polarity

N/A Negative

Ground Isolation

N/A Base isolated

Capacitance

N/A 120 pF

Insulation Resistance (Connector Pin to Case) at 75 Degree Fahrenheit (ºF) Temperature

N/A >1.0 MO

Insulation Resistance (Connector Pin to Case) at 75 Degree Celsius (ºC) Temperature

N/A >0.25 MO

Insulation Resistance (Connector Pin to Case) at 1000 Degree Fahrenheit (ºF) Temperature

N/A >1.0 MO

Insulation Resistance (Connector Pin to Case) at 1000 Degree Celsius (ºC) Temperature

N/A >0.25 MO

Insulation Resistance (Case to Base) at 75 Degree Fahrenheit (ºF) Temperature

N/A >10 MO

Insulation Resistance (Case to Base) at 75 Degree Celsius (ºC) Temperature

N/A >1.0 MO

Insulation Resistance (Case to Base) at 1000 Degree Fahrenheit (ºF) Temperature

N/A >10 MO

Insulation Resistance (Case to Base) at 1000 Degree Celsius (ºC) Temperature

N/A >1.0 MO

Radiation Exposure Limit (Integrated Neutron Flux)

N/A 1.0E+10 N/cm²1.0E+08 rad

Note

Note

N/A In the interest of constant product improvement, we reserve the right to change specifications without notice.
Recommended charge amplifier: Dytran model 4754B Series.
U.S. Patent number US 8,375,793 B2 applies to this unit.
Units on the line drawing are in inches, units in brackets are in millimeters.

Supplied Accessories

Supplied Accessories

N/A
  1. Accredited calibration certificate (ISO 17025)
  2. Model 6200S mounting stud (10-32 to 10-32), Qty. 1
  3. Model 6377 removal wrench, Qty. 1