COMPANY HEADER
Request Information
  • Hermetically Sealed
  • Base Isolated
  • TEDS Feature
Unit of Measure

Specifications

Brands

N/A Dytran

Frequency Response

N/A 1.0 to 10000 Hz

Type

N/A Integrated Electronic Piezoelectric (IEPE)

Physical

Housing Material

N/A Titanium

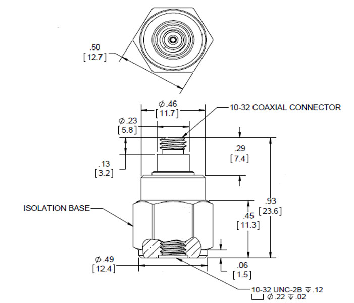
Connector Type

N/A 10-32

Connector Material

N/A Titanium

Tapped Hole Mounting Provision

N/A 10-32 x 0.150 ↓

Sensing Element Material

N/A Ceramic

Element Style Type

N/A Planar Shear

Weight

N/A 10 g0.35 g

Environmental

Maximum Peak Vibration (±)

N/A 600 g5886 g

Operating Temperature Range

N/A -51 to +121 ºF-60 to +250 ºC

Environmental Seal

N/A Hermetic

Transducer Electronic Data Sheet (TEDS) Operating Temperature

N/A -40 to +85 ºF-40 to +185 ºC

Transducer Electronic Data Sheet (TEDS) Feature

N/A Institute of Electrical and Electronics Engineers (IEEE) 1451.4

Performance

Sensitivity

N/A 1 mV/m/s²

Sensitivity Tolerance (±)

N/A 10 %

Note for Sensitivity

N/A Measured at 100 Hz, 1 Grms per ISA RP 37.2.

Resonant Frequency

N/A >36 kHz

Full Scale (F.S.) Linearity (±)

N/A 1 %

Note for Full Scale (F.S.) Linearity (±)

N/A Measured using zero-based best straight line method, % of F.S. or any lesser calibrated range.

Root-Mean-Square (RMS) Broadband Resolution

N/A 0.004 g0.0392 m/s²

Maximum Transverse Sensitivity

N/A 5 %

Electrical

Note for Power Supply Current

N/A Do not apply power to this device without current limiting, 20 mA maximum to do so will destroy the integral IC amplifier.

Compliance Voltage Range

N/A +18 to +30 V

Direct Current (DC) Operating Bias Voltage

N/A 9 to 13 V

Typical Output Impedance

N/A 100 O

Minimum Electrical Isolation (Ground Pin to Case)

N/A 10 GO

Note

Note

N/A In the interest of constant product improvement, we reserve the right to change specifications without notice.
Units on the line drawing are in inches, units in brackets are in millimeters.

Supplied Accessories

Supplied Accessories

N/A
  1. Accredited Calibration Certificate (ISO 17025)
  2. Model 6200 mounting stud, QTY 1