COMPANY HEADER
Request Information
  • Variable Capacitance Technology
  • Differential Mode
  • Hermetically Sealed
  • DC Response
Unit of Measure

Specifications

Type

N/A Variable Capacitance

Number of Axis

N/A 3

Performance

Accelerometer Input Range (±)

N/A 25 g245.3 m/s²

Frequency Response

N/A 0 to 500 Hz

Frequency Response at ±3 Decibel (dB) Bandwidth

N/A 0 to 1,400 Hz

Frequency Response Tolerance

N/A ±5 %

Resonant Frequency

N/A > 3,000 Hz

Sensitivity Differential

N/A 20 mV/g2.0 mV/m/s²

Sensitivity Differential Tolerance (±)

N/A 5 %

Note for Sensitivity Differential

N/A Single ended sensitivity is half of values shown. (Ref. at 100 Hz)

Typical Root-Mean-Square (RMS) Differential Output Noise

N/A 25 µg rms/√ Hz245 µm/s² rms/√ Hz

Maximum Full Scale (F.S.) Non-Linearity (±)

N/A 0.5 %

Note for Maximum Full Scale (F.S.) Non-Linearity (±)

N/A -90% to +90% of Full Scale

Maximum Accelerometer Cross Axis Sensitivity

N/A 3 %

Physical

Maximum Weight

N/A 1.3 oz38 g

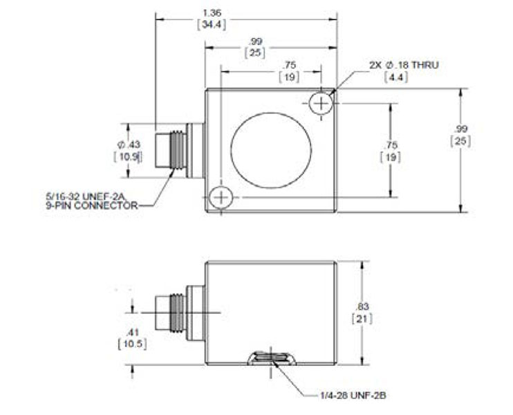
Connector Type

N/A 9-Pin, 5/16-32 Unified National Extra Fine (UNEF-2A)

Material

N/A Titanium Alloy

Sensing Technology

N/A Microelectromechanical System (MEMS)

Environmental

Maximum Peak Mechanical Shock (0.1 ms)

N/A ±5,000 g±49,050 m/s²

Maximum Bias Temperature Shift of Span

N/A 111 ppm/ºF200 ppm/ºC

Note for Maximum Bias Temperature Shift of Span

N/A Over the rated temperature range.

Maximum Bias Calibration Error of span

N/A 0.5 %

Operating Temperature Range

N/A -67 to +257 ºF-55 to +125 ºC

Environmental Seal

N/A Hermetic

Electrical

Note for Direct Current (DC) Typical Output Common Mode Voltage

N/A Bias voltage equal to (+V - (-V)) / 2)

Nominal Output Impedance

N/A 1,225 O

Direct Current (DC) Operating Voltage

N/A ±3 to ±11 V

Note for Direct Current (DC) Operating Voltage

N/A +6.0 to +22.0 VDC in single supply operation with V- grounded.

Maximum Operating Direct Current (DC) (AOP & AON Open)

N/A 35 mA

Power Supply Rejection Ratio

N/A > 65 dB

Supplied Accessories

Supplied Accessories

N/A
  1. Accredited calibration certificate (ISO 17025)
  2. Mounting stud, Model 6360, 1/4-28 UNF-2A, Qty 1
  3. Mounting stud, Model 6691, 1/4-28 UNF-2A to M6 x 1, Qty 1
  4. Mounting screws, Model 69034A16, 8-32 x 1.0, Qty. 2
  5. Mounting screws, Model 6687A1, M4x0.7 x 25mm, Qty. 2
  6. Flat washers, Model 6754, Qty. 2

Note

Note

N/A In the interest of constant product improvement, we reserve the right to change specifications without notice.

Units on the line drawing are in inches.