COMPANY HEADER
Request Information
  • Low Cost
  • Wide Supply Voltage Range
  • Low Current Consumption
Unit of Measure

Specifications

Type

N/A Direct Current (DC)

Number of Axis

N/A 1

Performance

Sensitivity

N/A 57 mV/g5.8 mV/m/s²

Sensitivity Tolerance (±)

N/A 10 %

Note for Sensitivity

N/A Measured at 100 Hz, 5 Grms per ISA RP 37.2.

Peak Acceleration Range (±)

N/A 16 g157 m/s²

Frequency Response for 50 Hertz (Hz) Frequency and ±3 Decibel (dB) Bandwidth

N/A 0 to 1,600 Hz

Resonant Frequency

N/A > 5.5 kHz

Full Scale (F.S.) Linearity (±)

N/A 0.3 %

Note for Full Scale (F.S.) Linearity (±)

N/A Linearity is % of specified full scale (or any less full-scale range), zero-based best fit straight line method.

Maximum Transverse Sensitivity

N/A 5 %

Spectral Noise

N/A 300 µg rms/√ Hz2,943 µm/s² rms/√ Hz

Sensitivity Change Due to Temperature (±)

N/A 0.006 %/°F0.01 %/°C

Physical

Housing Material

N/A Aluminum, Anodized

Maximum Weight (Less Cable)

N/A 0.21 oz6.0 g

Mounting

N/A 2 x M2 Screws

Cable Type

N/A 6-Conductor

Cable Material

N/A Santoprene

Housing Isolation

N/A Case Isolated

Environmental

Maximum Peak Shock

N/A 10,000 g98,100 m/s²

Maximum Peak Vibration (±)

N/A 5,000 g49,050 m/s²

Operating Temperature Range

N/A -40 to +185 ºF-40 to +85 ºC

Environmental Seal

N/A Epoxy

Electrical

Power Supply Current

N/A 350 µA

Direct Current (DC) Supply Voltage

N/A 4 to 28 V

Typical Output Impedance

N/A 100 O

Direct Current (DC) Operating Bias Voltage

N/A 1.35 to 1.65 V

Direct Current (DC) Output Voltage Range (±)

N/A 1.0 V

Self-Test Output

N/A -29 to +114 mV

Turn-On Time

N/A 1 ms

Supplied Accessories

Supplied Accessories

N/A
  1. Accredited calibration certificate (ISO 17025)
  2. Mounting Screw, Model 6675, M2x0.4 x 12mm, qty. 2

Note

Note

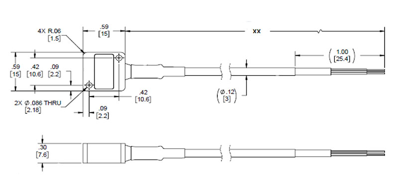
N/A Units on the line drawing are in inches, units in brackets are in millimeters.