COMPANY HEADER
Request Information
  • Variable Capacitance Accelerometer
  • Current Output
  • Hermetically Sealed
  • DC Response
  • 4-20 mA Loop Compatible
Unit of Measure

Specifications

Type

N/A Variable Capacitance

Performance

Accelerometer Input Range (±)

N/A 50 g490 m/s²

Frequency Response for 50 Hertz (Hz) Frequency and ±3 Decibel (dB) Bandwidth

N/A 0 to 300 Hz

Note for Frequency Response

N/A Low pass first order filter, corner frequency at 300Hz.

When measured with 50 Ohm sense resistor.

Sensitivity Differential

N/A 100 µA/g10.2 µA/m/s²

Sensitivity Differential Tolerance (±)

N/A 10 %

Typical Root-Mean-Square (RMS) Differential Output Noise

N/A 50 µg rms/√ Hz491 µm/s² rms/√ Hz

Maximum Full Scale (F.S.) Non-Linearity (±)

N/A 0.5 %

Note for Maximum Full Scale (F.S.) Non-Linearity (±)

N/A -90% to +90% of Full Scale

Maximum Transverse Sensitivity

N/A 4 %

Maximum Scale Factor Calibration Error

N/A 2 %

Zero Measured Output (±)

N/A 50 mV

Physical

Maximum Weight

N/A 2.5 oz70 g

Connector Type

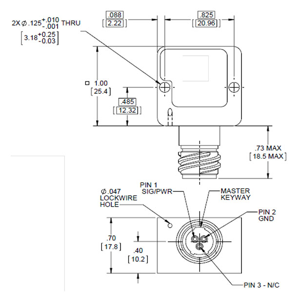
N/A Receptacle, 3-Pin

Note for Connector Type

N/A Glenair P/N 805-006-13Z18-23PA. Mates with 805-001-16Z18-23SA and 805-002-16Z18-23SA

Number of Thru Hole for Mounting Provision

N/A 2

Diameter of Thru Hole Mounting Provision

N/A 0.125 in

Material

N/A 304L Stainless Steel

Environmental

Maximum Peak Mechanical Shock

N/A 5000 g49050 m/s²

Maximum Bias Temperature Shift of Span

N/A 56 ppm/ºF100 ppm/ºC

Note for Maximum Bias Temperature Shift of Span

N/A Over the rated temperature range.

Maximum Bias Calibration Error of span

N/A 0.5 %

Operating Temperature Range

N/A -55 to +257 ºF-48 to +125 ºC

Scale Factor Temperature Shift

N/A -111 to 111 ppm/ºF-200 to 200 ppm/ºC

Note for Scale Factor Temperature Shift

N/A Over the rated temperature range.

Environmental Seal

N/A Hermetic

Electrical

Bias Current

N/A 14 to 15 mA

Nominal Output Impedance

N/A 400 O

Direct Current (DC) Operating Voltage

N/A 10 to 36 V

Operating Voltage Rise Time

N/A < 2 ms

Full Scale Output Current (±)

N/A 5 mA

Power Supply Rejection Ratio

N/A > 65 dB

Supplied Accessories

Supplied Accessories

N/A
  1. Accredited calibration certificate (ISO 17025)

Note

Note

N/A Units on the line drawing are in inches, dimensions in brackets [] are in millimeters.